Home>Produkte>Ventil>Schiedrum Hydraulik STROMREGELVENTIL 30D-1-H

Schiedrum Hydraulik STROMREGELVENTIL 30D-1-H

  • Marke:Schiedrum
  • Modell:30D-1-H
  • Tags:STROMREGELVENTIL

Haben Sie Fragen zu diesem Produkt?
Bitte wenden Sie sich telefonisch oder per E-Mail an unseren Kundenservice.

+49-511 9170-9151

Produktbeschreibung

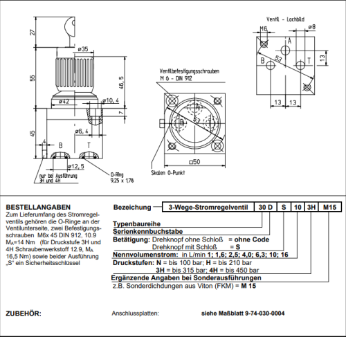
    Schiedrum 3-Wege-Stromregelventile sind Stromventile mit -in Parallelschaltung- eingebauter Druckwaage. Die Ventile regeln einen einstellbaren Volumenstrom unabhängig von Druckänderungen in der Zu-, der Arbeits- oder der Ablaufleitung selbsttätig konstant.

    • 3-Wege-Stromregelventil
    • Drehknopf Einstellwinkel 150°
    • Plattenaufbau NG 8
    • Lochbild nach Schiedrum Hausnorm
    • 7 Nennvolumenstrombereiche 1 l/min bis 16 l/min
    • kleinster regelbarer Volumenstrom ca. 10 cm3/min
    • Pmax bis 450 bar


info@deppre.de
+49-511 9170-9151